Home
(905) 937-1811
Cart
Shop Parts
Shop Accessories
My Account
Log In
Register
Track Orders
Policies
Terms & Conditions
Privacy Policy
Return Policy
Shipping Policy
icons
Cart
Cart is Empty
Home
(905) 937-1811
Cart
Shop Parts
Shop Accessories
My Account
Log In
Register
Track Orders
Policies
Terms & Conditions
Privacy Policy
Return Policy
Shipping Policy
My Account
Track Orders
Contact Us
Cart
Cart is Empty
Home
Parts Categories
Accessories
About Us
2008 Acura RDX
2008 Acura RDX
Clear Vehicle from Search
Delete All Vehicles from My Garage
Add Vehicle
Search Bar 4
Search by Part Number(s), Keywords, or VIN
Air Intake & Fuel Delivery
Fuel Tanks
Air Intake Systems
Fuel Injectors
Air Cleaner Assemblies
Fuel Pumps
Brakes
Brake Calipers
Brake Pads
Brake Drums
Brake Pads & Shoes
Brake Discs, Rotors & Hardware
Cooling Systems
Hoses & Clamps
Radiators & Parts
Thermostats & Parts
Water Pumps
Oil Coolers
Engine Components
Camshafts, Lifters & Parts
Motor Mounts
Valve Covers
Belts, Pulleys & Brackets
Cylinder Heads & Parts
Gaskets
Oil Pan Gaskets
Intake Gaskets
Exhaust Gaskets
Full Set Gaskets
Lighting
Tail Lights
Headlights
Instrument Panel
Turn Signals
Side Marker Lights
Suspension & Steering
Control Arms & Parts
Coil Springs
Shocks & Struts
Sway Bars
Tie Rod Linkages
Wheels, Tires & Parts
Wheel Center Caps
Wheel Lugs
Wheel Hubs & Bearings
Wheels
Tire Pressure Monitoring System
Interior Accessories
Cargo
Cup Holders
Dash Parts
Electronics
Floor Mats & Carpets
Interior Mirrors
Shifters
Sun Visors
Exterior Accessories
Roof Racks
Splash Guards & Mud Flaps
Spoilers & Wings
Tire Accessories
Home
2008 Acura RDX
Base 2.3L L4 - Gas
Oil Pump
Oil Pump for 2008 Acura RDX
My Garage
2008 Acura RDX
Base 2.3L L4 - Gas
Change Vehicle
2008 Acura RDX
Clear Vehicle from Search
Delete All Vehicles from My Garage
Add Vehicle
Categories
All
Parts
Accessory Components
Air Deflector
All Season Mat
Ashtray
Back-UP Sensor
Back-UP Sensor Attachment
Bike Attachment (Exterior)
Body Side Molding
Cargo Liner
Cargo Net
Cargo Tray
Front Under Spoiler
Gold Emblem
Kayak Attachment
Luggage Basket
Moonroof Visor
Nose Mask (Full)
Rear Bumper Applique
Rear Under Spoiler
Roof Box
Roof Rack
Select Knob
Ski Attachment
Snowboard Attachment
Splash Guard
Sport Running Board
Surfboard Attachment
Trailer Hitch
Trailer Hitch Harness (1)
Wheels 19" (Chrome Look)
Wheels 19" (Sparkle Silver)
Wood Interior Panel
Wood Steering Wheel Garnish
Body/Air Conditioning
A/C Compressor
A/C Condenser
A/C Hoses - Pipes
A/C Sensor
Engine Hood
Engine Mounts
Floor - Inner Panel
Front Bulkhead - Dashboard
Front Door Locks - Outer Handle
Front Door Panels
Front Door Windows - Regulator
Front Fenders
Front Sub Frame - Rear Beam
Front Windshield
Outer Panel - Roof Panel
Rear Door Locks - Outer Handle
Rear Door Panels
Rear Door Windows - Regulator
Rear Windshield - Quarter Windows
Tailgate
Chassis
Brake Lines (VSA)
Brake Master Cylinder - Master Power (KA) (KC)
Driveshaft - Half Shaft
Front Brake
Front Shock Absorber
Knuckle
P.S. Gear Box
P.S. Gear Box Components
P.S. Lines
Parking Brake
Parking Brake Shoe
Pedal
Propeller Shaft
Rear Brake
Rear Differential - Mount
Rear Driveshaft
Rear Lower Arm
Rear Shock Absorber
Select Lever
Steering Column
Steering Wheel (SRS)
VSA Modulator
Wheel Disk (KA)
Electrical/Exhaust/Heater/Fuel
Air Bypass Valve
Air Cleaner
Air Intake Cover
Antenna
ATF Cooler
Audio Unit
Auto Air Conditioner Control
Battery
Canister
Combination Switch
Control Unit (Cabin) (1)
Control Unit (Cabin) (2)
Control Unit (Engine Room) (1)
Control Unit (Engine Room) (2)
Electrical Connector (FR.)
Electrical Connector (RR.)
Exhaust Pipe - Muffler
Foglight
Front Wiper
Fuel Pipe
Fuel Tank
Harness Band - Bracket
Headlight
Heater Blower
Heater Unit
Intercooler
Interior Light
Meter Components
Navigation System
Radiator
Radiator Hose - Reserve Tank
Rear Wiper
Speaker
SRS Unit (1)
SRS Unit (2)
Switch
Switch Panel
Switch Panel (Navigation)
Taillight - License Light
TPMS Unit
Water Valve
Windshield Washer (1)
Wire Harness (1)
Wire Harness (2)
Wire Harness (3)
Wire Harness (4)
Engine
Alternator (Denso)
Breather Tube
Camshaft - Cam Chain
Chain Case
Converter
Crankshaft - Piston
Cylinder Block - Oil Pan
Cylinder Head
Cylinder Head Cover
Engine Assy. - Transmission Assy.
Engine Mounting Bracket
Engine Wire Harness
Engine Wire Harness Stay
Exhaust Manifold
Fuel Injector
Gasket Kit
Install Pipe - Tubing
Intake Manifold
Oil Pump
P.S. Pump
Plug Hole Coil
Spool Valve
Starter Motor (Mitsuba)
Throttle Body
Torque Converter
Turbocharger
Valve - Rocker Arm
Water Hose
Water Pump
Interior/Bumper
Bumpers (1)
Console
Duct
Emblems - Caution Labels
Floor Mat
Front Door Lining
Front Grille (1)
Front Seat (L.) (1)
Front Seat (R.) (1)
Front Seat Components (L.) (1)
Front Seat Components (R.) (1)
Garnish
Grommet (FR.)
Grommet (Lower)
Grommet (RR.)
Instrument Panel
Instrument Panel Garnish (Driver Side)
Instrument Panel Garnish (Passenger Side)
Mirror
Molding
Pillar Garnish
Rear Door Lining
Rear Seat
Rear Seat Components
Roof Lining
Roof Slide Components
Seat Belts
Side Lining
Sliding Roof
Tailgate Lining
Tools - Jack
Transmission - Automatic
AT Accumulator Body
AT ATF Pipe
AT Clutch (2nd)
AT Clutch (3rd)
AT Clutch (4th-5th)
AT Clutch (Low)
AT Countershaft
AT Differential
AT Main Valve Body
AT Mainshaft
AT Regulator Body
AT Secondary Body
AT Secondary Shaft
AT Sensor - Solenoid
AT Shift Fork
AT Third Shaft
AT Torque Converter Case
AT Transfer
AT Transmission Case
Accessory Components
Air Deflector
All Season Mat
Ashtray
Back-UP Sensor
Back-UP Sensor Attachment
Bike Attachment (Exterior)
Body Side Molding
Cargo Liner
Cargo Net
Cargo Tray
Front Under Spoiler
Gold Emblem
Kayak Attachment
Luggage Basket
Moonroof Visor
Nose Mask (Full)
Rear Bumper Applique
Rear Under Spoiler
Roof Box
Roof Rack
Select Knob
Ski Attachment
Snowboard Attachment
Splash Guard
Sport Running Board
Surfboard Attachment
Trailer Hitch
Trailer Hitch Harness (1)
Wheels 19" (Chrome Look)
Wheels 19" (Sparkle Silver)
Wood Interior Panel
Wood Steering Wheel Garnish
Body/Air Conditioning
A/C Compressor
A/C Condenser
A/C Hoses - Pipes
A/C Sensor
Engine Hood
Engine Mounts
Floor - Inner Panel
Front Bulkhead - Dashboard
Front Door Locks - Outer Handle
Front Door Panels
Front Door Windows - Regulator
Front Fenders
Front Sub Frame - Rear Beam
Front Windshield
Outer Panel - Roof Panel
Rear Door Locks - Outer Handle
Rear Door Panels
Rear Door Windows - Regulator
Rear Windshield - Quarter Windows
Tailgate
Chassis
Brake Lines (VSA)
Brake Master Cylinder - Master Power (KA) (KC)
Driveshaft - Half Shaft
Front Brake
Front Shock Absorber
Knuckle
P.S. Gear Box
P.S. Gear Box Components
P.S. Lines
Parking Brake
Parking Brake Shoe
Pedal
Propeller Shaft
Rear Brake
Rear Differential - Mount
Rear Driveshaft
Rear Lower Arm
Rear Shock Absorber
Select Lever
Steering Column
Steering Wheel (SRS)
VSA Modulator
Wheel Disk (KA)
Electrical/Exhaust/Heater/Fuel
Air Bypass Valve
Air Cleaner
Air Intake Cover
Antenna
ATF Cooler
Audio Unit
Auto Air Conditioner Control
Battery
Canister
Combination Switch
Control Unit (Cabin) (1)
Control Unit (Cabin) (2)
Control Unit (Engine Room) (1)
Control Unit (Engine Room) (2)
Electrical Connector (FR.)
Electrical Connector (RR.)
Exhaust Pipe - Muffler
Foglight
Front Wiper
Fuel Pipe
Fuel Tank
Harness Band - Bracket
Headlight
Heater Blower
Heater Unit
Intercooler
Interior Light
Meter Components
Navigation System
Radiator
Radiator Hose - Reserve Tank
Rear Wiper
Speaker
SRS Unit (1)
SRS Unit (2)
Switch
Switch Panel
Switch Panel (Navigation)
Taillight - License Light
TPMS Unit
Water Valve
Windshield Washer (1)
Wire Harness (1)
Wire Harness (2)
Wire Harness (3)
Wire Harness (4)
Engine
Alternator (Denso)
Breather Tube
Camshaft - Cam Chain
Chain Case
Converter
Crankshaft - Piston
Cylinder Block - Oil Pan
Cylinder Head
Cylinder Head Cover
Engine Assy. - Transmission Assy.
Engine Mounting Bracket
Engine Wire Harness
Engine Wire Harness Stay
Exhaust Manifold
Fuel Injector
Gasket Kit
Install Pipe - Tubing
Intake Manifold
Oil Pump
P.S. Pump
Plug Hole Coil
Spool Valve
Starter Motor (Mitsuba)
Throttle Body
Torque Converter
Turbocharger
Valve - Rocker Arm
Water Hose
Water Pump
Interior/Bumper
Bumpers (1)
Console
Duct
Emblems - Caution Labels
Floor Mat
Front Door Lining
Front Grille (1)
Front Seat (L.) (1)
Front Seat (R.) (1)
Front Seat Components (L.) (1)
Front Seat Components (R.) (1)
Garnish
Grommet (FR.)
Grommet (Lower)
Grommet (RR.)
Instrument Panel
Instrument Panel Garnish (Driver Side)
Instrument Panel Garnish (Passenger Side)
Mirror
Molding
Pillar Garnish
Rear Door Lining
Rear Seat
Rear Seat Components
Roof Lining
Roof Slide Components
Seat Belts
Side Lining
Sliding Roof
Tailgate Lining
Tools - Jack
Transmission - Automatic
AT Accumulator Body
AT ATF Pipe
AT Clutch (2nd)
AT Clutch (3rd)
AT Clutch (4th-5th)
AT Clutch (Low)
AT Countershaft
AT Differential
AT Main Valve Body
AT Mainshaft
AT Regulator Body
AT Secondary Body
AT Secondary Shaft
AT Sensor - Solenoid
AT Shift Fork
AT Third Shaft
AT Torque Converter Case
AT Transfer
AT Transmission Case
Browse Categories
×
Select category
All
Parts
Accessory Components
Air Deflector
All Season Mat
Ashtray
Back-UP Sensor
Back-UP Sensor Attachment
Bike Attachment (Exterior)
Body Side Molding
Cargo Liner
Cargo Net
Cargo Tray
Front Under Spoiler
Gold Emblem
Kayak Attachment
Luggage Basket
Moonroof Visor
Nose Mask (Full)
Rear Bumper Applique
Rear Under Spoiler
Roof Box
Roof Rack
Select Knob
Ski Attachment
Snowboard Attachment
Splash Guard
Sport Running Board
Surfboard Attachment
Trailer Hitch
Trailer Hitch Harness (1)
Wheels 19" (Chrome Look)
Wheels 19" (Sparkle Silver)
Wood Interior Panel
Wood Steering Wheel Garnish
Body/Air Conditioning
A/C Compressor
A/C Condenser
A/C Hoses - Pipes
A/C Sensor
Engine Hood
Engine Mounts
Floor - Inner Panel
Front Bulkhead - Dashboard
Front Door Locks - Outer Handle
Front Door Panels
Front Door Windows - Regulator
Front Fenders
Front Sub Frame - Rear Beam
Front Windshield
Outer Panel - Roof Panel
Rear Door Locks - Outer Handle
Rear Door Panels
Rear Door Windows - Regulator
Rear Windshield - Quarter Windows
Tailgate
Chassis
Brake Lines (VSA)
Brake Master Cylinder - Master Power (KA) (KC)
Driveshaft - Half Shaft
Front Brake
Front Shock Absorber
Knuckle
P.S. Gear Box
P.S. Gear Box Components
P.S. Lines
Parking Brake
Parking Brake Shoe
Pedal
Propeller Shaft
Rear Brake
Rear Differential - Mount
Rear Driveshaft
Rear Lower Arm
Rear Shock Absorber
Select Lever
Steering Column
Steering Wheel (SRS)
VSA Modulator
Wheel Disk (KA)
Electrical/Exhaust/Heater/Fuel
Air Bypass Valve
Air Cleaner
Air Intake Cover
Antenna
ATF Cooler
Audio Unit
Auto Air Conditioner Control
Battery
Canister
Combination Switch
Control Unit (Cabin) (1)
Control Unit (Cabin) (2)
Control Unit (Engine Room) (1)
Control Unit (Engine Room) (2)
Electrical Connector (FR.)
Electrical Connector (RR.)
Exhaust Pipe - Muffler
Foglight
Front Wiper
Fuel Pipe
Fuel Tank
Harness Band - Bracket
Headlight
Heater Blower
Heater Unit
Intercooler
Interior Light
Meter Components
Navigation System
Radiator
Radiator Hose - Reserve Tank
Rear Wiper
Speaker
SRS Unit (1)
SRS Unit (2)
Switch
Switch Panel
Switch Panel (Navigation)
Taillight - License Light
TPMS Unit
Water Valve
Windshield Washer (1)
Wire Harness (1)
Wire Harness (2)
Wire Harness (3)
Wire Harness (4)
Engine
Alternator (Denso)
Breather Tube
Camshaft - Cam Chain
Chain Case
Converter
Crankshaft - Piston
Cylinder Block - Oil Pan
Cylinder Head
Cylinder Head Cover
Engine Assy. - Transmission Assy.
Engine Mounting Bracket
Engine Wire Harness
Engine Wire Harness Stay
Exhaust Manifold
Fuel Injector
Gasket Kit
Install Pipe - Tubing
Intake Manifold
Oil Pump
P.S. Pump
Plug Hole Coil
Spool Valve
Starter Motor (Mitsuba)
Throttle Body
Torque Converter
Turbocharger
Valve - Rocker Arm
Water Hose
Water Pump
Interior/Bumper
Bumpers (1)
Console
Duct
Emblems - Caution Labels
Floor Mat
Front Door Lining
Front Grille (1)
Front Seat (L.) (1)
Front Seat (R.) (1)
Front Seat Components (L.) (1)
Front Seat Components (R.) (1)
Garnish
Grommet (FR.)
Grommet (Lower)
Grommet (RR.)
Instrument Panel
Instrument Panel Garnish (Driver Side)
Instrument Panel Garnish (Passenger Side)
Mirror
Molding
Pillar Garnish
Rear Door Lining
Rear Seat
Rear Seat Components
Roof Lining
Roof Slide Components
Seat Belts
Side Lining
Sliding Roof
Tailgate Lining
Tools - Jack
Transmission - Automatic
AT Accumulator Body
AT ATF Pipe
AT Clutch (2nd)
AT Clutch (3rd)
AT Clutch (4th-5th)
AT Clutch (Low)
AT Countershaft
AT Differential
AT Main Valve Body
AT Mainshaft
AT Regulator Body
AT Secondary Body
AT Secondary Shaft
AT Sensor - Solenoid
AT Shift Fork
AT Third Shaft
AT Torque Converter Case
AT Transfer
AT Transmission Case
Accessory Components
Air Deflector
All Season Mat
Ashtray
Back-UP Sensor
Back-UP Sensor Attachment
Bike Attachment (Exterior)
Body Side Molding
Cargo Liner
Cargo Net
Cargo Tray
Front Under Spoiler
Gold Emblem
Kayak Attachment
Luggage Basket
Moonroof Visor
Nose Mask (Full)
Rear Bumper Applique
Rear Under Spoiler
Roof Box
Roof Rack
Select Knob
Ski Attachment
Snowboard Attachment
Splash Guard
Sport Running Board
Surfboard Attachment
Trailer Hitch
Trailer Hitch Harness (1)
Wheels 19" (Chrome Look)
Wheels 19" (Sparkle Silver)
Wood Interior Panel
Wood Steering Wheel Garnish
Body/Air Conditioning
A/C Compressor
A/C Condenser
A/C Hoses - Pipes
A/C Sensor
Engine Hood
Engine Mounts
Floor - Inner Panel
Front Bulkhead - Dashboard
Front Door Locks - Outer Handle
Front Door Panels
Front Door Windows - Regulator
Front Fenders
Front Sub Frame - Rear Beam
Front Windshield
Outer Panel - Roof Panel
Rear Door Locks - Outer Handle
Rear Door Panels
Rear Door Windows - Regulator
Rear Windshield - Quarter Windows
Tailgate
Chassis
Brake Lines (VSA)
Brake Master Cylinder - Master Power (KA) (KC)
Driveshaft - Half Shaft
Front Brake
Front Shock Absorber
Knuckle
P.S. Gear Box
P.S. Gear Box Components
P.S. Lines
Parking Brake
Parking Brake Shoe
Pedal
Propeller Shaft
Rear Brake
Rear Differential - Mount
Rear Driveshaft
Rear Lower Arm
Rear Shock Absorber
Select Lever
Steering Column
Steering Wheel (SRS)
VSA Modulator
Wheel Disk (KA)
Electrical/Exhaust/Heater/Fuel
Air Bypass Valve
Air Cleaner
Air Intake Cover
Antenna
ATF Cooler
Audio Unit
Auto Air Conditioner Control
Battery
Canister
Combination Switch
Control Unit (Cabin) (1)
Control Unit (Cabin) (2)
Control Unit (Engine Room) (1)
Control Unit (Engine Room) (2)
Electrical Connector (FR.)
Electrical Connector (RR.)
Exhaust Pipe - Muffler
Foglight
Front Wiper
Fuel Pipe
Fuel Tank
Harness Band - Bracket
Headlight
Heater Blower
Heater Unit
Intercooler
Interior Light
Meter Components
Navigation System
Radiator
Radiator Hose - Reserve Tank
Rear Wiper
Speaker
SRS Unit (1)
SRS Unit (2)
Switch
Switch Panel
Switch Panel (Navigation)
Taillight - License Light
TPMS Unit
Water Valve
Windshield Washer (1)
Wire Harness (1)
Wire Harness (2)
Wire Harness (3)
Wire Harness (4)
Engine
Alternator (Denso)
Breather Tube
Camshaft - Cam Chain
Chain Case
Converter
Crankshaft - Piston
Cylinder Block - Oil Pan
Cylinder Head
Cylinder Head Cover
Engine Assy. - Transmission Assy.
Engine Mounting Bracket
Engine Wire Harness
Engine Wire Harness Stay
Exhaust Manifold
Fuel Injector
Gasket Kit
Install Pipe - Tubing
Intake Manifold
Oil Pump
P.S. Pump
Plug Hole Coil
Spool Valve
Starter Motor (Mitsuba)
Throttle Body
Torque Converter
Turbocharger
Valve - Rocker Arm
Water Hose
Water Pump
Interior/Bumper
Bumpers (1)
Console
Duct
Emblems - Caution Labels
Floor Mat
Front Door Lining
Front Grille (1)
Front Seat (L.) (1)
Front Seat (R.) (1)
Front Seat Components (L.) (1)
Front Seat Components (R.) (1)
Garnish
Grommet (FR.)
Grommet (Lower)
Grommet (RR.)
Instrument Panel
Instrument Panel Garnish (Driver Side)
Instrument Panel Garnish (Passenger Side)
Mirror
Molding
Pillar Garnish
Rear Door Lining
Rear Seat
Rear Seat Components
Roof Lining
Roof Slide Components
Seat Belts
Side Lining
Sliding Roof
Tailgate Lining
Tools - Jack
Transmission - Automatic
AT Accumulator Body
AT ATF Pipe
AT Clutch (2nd)
AT Clutch (3rd)
AT Clutch (4th-5th)
AT Clutch (Low)
AT Countershaft
AT Differential
AT Main Valve Body
AT Mainshaft
AT Regulator Body
AT Secondary Body
AT Secondary Shaft
AT Sensor - Solenoid
AT Shift Fork
AT Third Shaft
AT Torque Converter Case
AT Transfer
AT Transmission Case
Oil Pump for 2008 Acura RDX
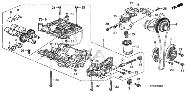
3
$40.28 CAD
SPROCKET, DRIVEN (17T)
Acura
3
$40.28 CAD
SPROCKET, DRIVEN (17T)
Acura
4
CHAIN (62L)
Acura
(Unavailable)
4
CHAIN (62L)
Acura
(Unavailable)
5
$179.02 CAD
TENSIONER, BALANCER SHAFT CHAIN
Acura
5
$179.02 CAD
TENSIONER, BALANCER SHAFT CHAIN
Acura
6
$29.95 CAD
GUIDE, BALANCER SHAFT CHAIN
Acura
6
$29.95 CAD
GUIDE, BALANCER SHAFT CHAIN
Acura
7
$1,191.67 CAD
PUMP ASSY., OIL
Acura
7
$1,191.67 CAD
PUMP ASSY., OIL
Acura
8
$16.75 CAD
METAL, BALANCER SHAFT (DAIDO)
Acura
8
$16.75 CAD
METAL, BALANCER SHAFT (DAIDO)
Acura
8
$16.75 CAD
METAL, BALANCER SHAFT (DAIDO)
Acura
8
$16.75 CAD
METAL, BALANCER SHAFT (DAIDO)
Acura
8
$16.75 CAD
METAL, BALANCER SHAFT (DAIDO)
Acura
8
$16.75 CAD
METAL, BALANCER SHAFT (DAIDO)
Acura
8
$16.75 CAD
METAL, BALANCER SHAFT (DAIDO)
Acura
8
$16.75 CAD
METAL, BALANCER SHAFT (DAIDO)
Acura
9
$7.29 CAD
PIN, STRAIGHT
Acura
9
$7.29 CAD
PIN, STRAIGHT
Acura
10
$6.27 CAD
PIN, STRAIGHT
Acura
10
$6.27 CAD
PIN, STRAIGHT
Acura
11
$6.27 CAD
PIN, OIL PUMP DOWEL
Acura
11
$6.27 CAD
PIN, OIL PUMP DOWEL
Acura
11
$6.27 CAD
PIN, OIL PUMP DOWEL
Acura
11
$6.27 CAD
PIN, OIL PUMP DOWEL
Acura
11
$6.27 CAD
PIN, OIL PUMP DOWEL
Acura
11
$6.27 CAD
PIN, OIL PUMP DOWEL
Acura
11
$6.27 CAD
PIN, OIL PUMP DOWEL
Acura
11
$6.27 CAD
PIN, OIL PUMP DOWEL
Acura
12
$23.14 CAD
VALVE, OIL PUMP REGULATOR
Acura
12
$23.14 CAD
VALVE, OIL PUMP REGULATOR
Acura
13
$8.34 CAD
SPRING, OIL PUMP REGULATOR
Acura
13
$8.34 CAD
SPRING, OIL PUMP REGULATOR
Acura
14
PLUG, OIL PUMP REGULATOR
Acura
(Unavailable)
14
PLUG, OIL PUMP REGULATOR
Acura
(Unavailable)
15
$205.10 CAD
BASE, OIL FILTER
Acura
15
$205.10 CAD
BASE, OIL FILTER
Acura
16
$13.85 CAD
GASKET, OIL FILTER BASE (A)
Acura
16
$13.85 CAD
GASKET, OIL FILTER BASE (A)
Acura
17
$9.26 CAD
GASKET, OIL FILTER BASE (B)
Acura
17
$9.26 CAD
GASKET, OIL FILTER BASE (B)
Acura
18
PLATE, OIL FILTER BASE
Acura
(Unavailable)
18
PLATE, OIL FILTER BASE
Acura
(Unavailable)
19
$15.54 CAD
FILTER, OIL (FILTECH TOYO ROKI)
Acura
19
$15.54 CAD
FILTER, OIL (FILTECH TOYO ROKI)
Acura
20
$12.42 CAD
BOLT, CHAIN GUIDE
Acura
20
$12.42 CAD
BOLT, CHAIN GUIDE
Acura
21
$7.36 CAD
BOLT, FLANGE (8X55)
Acura
21
$7.36 CAD
BOLT, FLANGE (8X55)
Acura
22
$12.00 CAD
HOLDER, OIL FILTER
Acura
22
$12.00 CAD
HOLDER, OIL FILTER
Acura
23
$7.37 CAD
BOLT-WASHER (10X30)
Acura
23
$7.37 CAD
BOLT-WASHER (10X30)
Acura
24
$3.63 CAD
PIN, DOWEL (10X16)
Acura
24
$3.63 CAD
PIN, DOWEL (10X16)
Acura
25
$2.16 CAD
BOLT, FLANGE (6X14)
Acura
25
$2.16 CAD
BOLT, FLANGE (6X14)
Acura
26
$1.90 CAD
BOLT, FLANGE (6X20)
Acura
26
$1.90 CAD
BOLT, FLANGE (6X20)
Acura
26
$1.90 CAD
BOLT, FLANGE (6X20)
Acura
26
$1.90 CAD
BOLT, FLANGE (6X20)
Acura
27
$1.82 CAD
BOLT, FLANGE (6X25)
Acura
27
$1.82 CAD
BOLT, FLANGE (6X25)
Acura
27
$1.82 CAD
BOLT, FLANGE (6X25)
Acura
27
$1.82 CAD
BOLT, FLANGE (6X25)
Acura
28
$2.23 CAD
BOLT, FLANGE (6X30)
Acura
28
$2.23 CAD
BOLT, FLANGE (6X30)
Acura
29
$1.97 CAD
BOLT, FLANGE (6X40)
Acura
29
$1.97 CAD
BOLT, FLANGE (6X40)
Acura
30
$2.70 CAD
BOLT, FLANGE (6X55)
Acura
30
$2.70 CAD
BOLT, FLANGE (6X55)
Acura
31
$2.70 CAD
BOLT, FLANGE (6X60)
Acura
31
$2.70 CAD
BOLT, FLANGE (6X60)
Acura
32
$2.12 CAD
BOLT, FLANGE (8X55)
Acura
32
$2.12 CAD
BOLT, FLANGE (8X55)
Acura
33
$2.90 CAD
BOLT, FLANGE (8X75)
Acura
33
$2.90 CAD
BOLT, FLANGE (8X75)
Acura
34
$3.87 CAD
BOLT, FLANGE (10X105)
Acura
34
$3.87 CAD
BOLT, FLANGE (10X105)
Acura
No.
Part # / Description
/ Price
Price
3
Sprocket, Driven (17T)
13432-PNA-000
Acura
$40.28 CAD
-
+
Add to Cart
$40.28 CAD
-
+
Add to Cart
4
Chain (62L)
13441-RWC-A01
Acura
View Details
View Details
5
Tensioner, Balancer Shaft Chain
13450-RWC-A02
Acura
$179.02 CAD
-
+
Add to Cart
$179.02 CAD
-
+
Add to Cart
6
Guide, Balancer Shaft Chain
13460-PNA-004
Acura
$29.95 CAD
-
+
Add to Cart
$29.95 CAD
-
+
Add to Cart
7
Pump Assembly, Oil
15100-RWC-A03
Acura
$1,191.67 CAD
-
+
Add to Cart
$1,191.67 CAD
-
+
Add to Cart
8
Metal, Balancer Shaft (Daido)
15115-R40-A01
Acura
$16.75 CAD
-
+
Add to Cart
$16.75 CAD
-
+
Add to Cart
9
Pin, Straight
15123-RAC-000
Acura
$7.29 CAD
-
+
Add to Cart
$7.29 CAD
-
+
Add to Cart
10
Pin, Straight
15124-RAC-000
Acura
$6.27 CAD
-
+
Add to Cart
$6.27 CAD
-
+
Add to Cart
11
Pin, Oil Pump Dowel
15125-RAC-000
Acura
$6.27 CAD
-
+
Add to Cart
$6.27 CAD
-
+
Add to Cart
12
Valve, Oil Pump Regulator
15231-RAC-000
Acura
$23.14 CAD
-
+
Add to Cart
$23.14 CAD
-
+
Add to Cart
13
Spring, Oil Pump Regulator
15232-RAC-000
Acura
$8.34 CAD
-
+
Add to Cart
$8.34 CAD
-
+
Add to Cart
14
Plug, Oil Pump Regulator
15233-RAC-000
Acura
View Details
View Details
15
Filter Housing
15301-RWC-A01
Acura
$205.10 CAD
-
+
Add to Cart
$205.10 CAD
-
+
Add to Cart
16
Gasket, Oil Filter Base (A)
15302-RWC-A01
Acura
$13.85 CAD
-
+
Add to Cart
$13.85 CAD
-
+
Add to Cart
17
Gasket, Oil Filter Base (B)
15303-RWC-A01
Acura
$9.26 CAD
-
+
Add to Cart
$9.26 CAD
-
+
Add to Cart
18
Plate, Oil Filter Base
15304-RWC-A01
Acura
View Details
View Details
19
Oil Filter
15400-PLM-A02
Acura
$15.54 CAD
-
+
Add to Cart
$15.54 CAD
-
+
Add to Cart
20
Bolt, Chain Guide
90004-PNA-000
Acura
$12.42 CAD
-
+
Add to Cart
$12.42 CAD
-
+
Add to Cart
21
Bolt, Flange (8X55)
90009-PNA-000
Acura
$7.36 CAD
-
+
Add to Cart
$7.36 CAD
-
+
Add to Cart
22
Holder, Oil Filter
90015-PH1-013
Acura
$12.00 CAD
-
+
Add to Cart
$12.00 CAD
-
+
Add to Cart
23
Bolt-Washer (10X30)
90031-PNA-004
Acura
$7.37 CAD
-
+
Add to Cart
$7.37 CAD
-
+
Add to Cart
24
Pin, Dowel (10X16)
94301-10160
Acura
$3.63 CAD
-
+
Add to Cart
$3.63 CAD
-
+
Add to Cart
25
Bolt, Flange (6X14)
95701-06014-08
Acura
$2.16 CAD
-
+
Add to Cart
$2.16 CAD
-
+
Add to Cart
26
Bolt, Flange (6X20)
95701-06020-08
Acura
$1.90 CAD
-
+
Add to Cart
$1.90 CAD
-
+
Add to Cart
27
Bolt, Flange (6X25)
95701-06025-08
Acura
$1.82 CAD
-
+
Add to Cart
$1.82 CAD
-
+
Add to Cart
28
Bolt, Flange (6X30)
95701-06030-00
Acura
$2.23 CAD
-
+
Add to Cart
$2.23 CAD
-
+
Add to Cart
29
Bolt, Flange (6X40)
95701-06040-08
Acura
$1.97 CAD
-
+
Add to Cart
$1.97 CAD
-
+
Add to Cart
30
Bolt, Flange (6X55)
95701-06055-08
Acura
$2.70 CAD
-
+
Add to Cart
$2.70 CAD
-
+
Add to Cart
31
Bolt, Flange (6X60)
95701-06060-08
Acura
$2.70 CAD
-
+
Add to Cart
$2.70 CAD
-
+
Add to Cart
32
Bolt, Flange (8X55)
95701-08055-08
Acura
$2.12 CAD
-
+
Add to Cart
$2.12 CAD
-
+
Add to Cart
33
Bolt, Flange (8X75)
95701-08075-08
Acura
$2.90 CAD
-
+
Add to Cart
$2.90 CAD
-
+
Add to Cart
34
Bolt, Flange (10X105)
95701-10105-09
Acura
$3.87 CAD
-
+
Add to Cart
$3.87 CAD
-
+
Add to Cart