Home
(905) 937-1811
Cart
Shop Parts
Shop Accessories
My Account
Log In
Register
Track Orders
Policies
Terms & Conditions
Privacy Policy
Return Policy
Shipping Policy
icons
Cart
Cart is Empty
Home
(905) 937-1811
Cart
Shop Parts
Shop Accessories
My Account
Log In
Register
Track Orders
Policies
Terms & Conditions
Privacy Policy
Return Policy
Shipping Policy
My Account
Track Orders
Contact Us
Cart
Cart is Empty
Home
Parts Categories
Accessories
About Us
No Vehicle Selected
Clear Vehicle from Search
Delete All Vehicles from My Garage
Add Vehicle
Search Bar 4
Search by Part Number(s), Keywords, or VIN
Air Intake & Fuel Delivery
Fuel Tanks
Air Intake Systems
Fuel Injectors
Air Cleaner Assemblies
Fuel Pumps
Brakes
Brake Calipers
Brake Pads
Brake Drums
Brake Pads & Shoes
Brake Discs, Rotors & Hardware
Cooling Systems
Hoses & Clamps
Radiators & Parts
Thermostats & Parts
Water Pumps
Oil Coolers
Engine Components
Camshafts, Lifters & Parts
Motor Mounts
Valve Covers
Belts, Pulleys & Brackets
Cylinder Heads & Parts
Gaskets
Oil Pan Gaskets
Intake Gaskets
Exhaust Gaskets
Full Set Gaskets
Lighting
Tail Lights
Headlights
Instrument Panel
Turn Signals
Side Marker Lights
Suspension & Steering
Control Arms & Parts
Coil Springs
Shocks & Struts
Sway Bars
Tie Rod Linkages
Wheels, Tires & Parts
Wheel Center Caps
Wheel Lugs
Wheel Hubs & Bearings
Wheels
Tire Pressure Monitoring System
Interior Accessories
Cargo
Cup Holders
Dash Parts
Electronics
Floor Mats & Carpets
Interior Mirrors
Shifters
Sun Visors
Exterior Accessories
Roof Racks
Splash Guards & Mud Flaps
Spoilers & Wings
Tire Accessories
Home
Categories
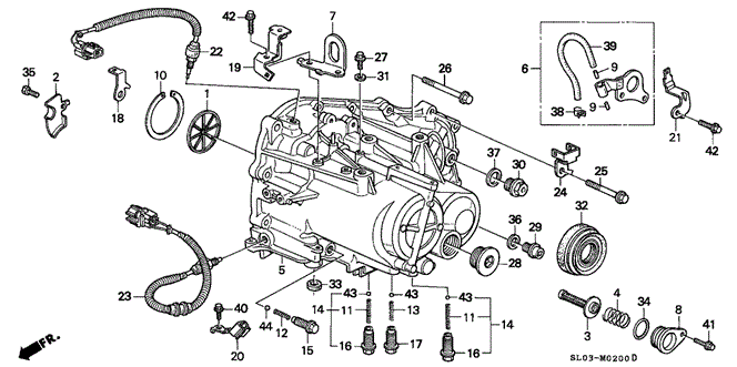
ACURA 23943-PR8-000
Shim M (82MM) (1.10MM) - Acura (23943-PR8-000)
Part can be found as reference #10 in illustration
Make sure this part fits your Car
Shim M (82MM) (1.10MM) - Acura (23943-PR8-000)
Discontinued Product
No Longer Available For Purchase
Change ZIP Code
×
ZIP code
Manufacturer Warranty
Minimum of 12 Months
Guaranteed Fitment
Always the correct parts
Shop with Confidence
Your information is safe
In-House Experts
We know our products
Details
Benefits
Also Purchased
Additional Info
Vehicle Fitment
Product Reviews
Ask Our Team
Warranty & Disclosures
Interchange
Installation Instructions
Policies
Details
Brand:
SKU:
23943-PR8-000
Other Names:
Shim M (82MM)
Applications:
Body Styles:
Coupe.
Also Purchased
No recommendations available
Vehicle Fitment
Select Your Vehicle
Choose Year
Choose Make
Choose Model
Choose Trim
Choose Engine
Select
Vehicle Fitment
Year
Make
Model
Body & Trim
Engine & Transmission
(
more
fitments)
No fitment data available
Policies
Shipping Policy
Returns Policy
Contact Us